你好,欢迎光临浙江贵龙电气有限公司!
项目询价请发函:422942282@qq.com
首页
关于我们
产品中心
在线画册
应用领域
新闻中心
联系我们
关于我们
专注于浪涌领域的:研 产 销 OEM,无螺丝 快速接线型I级、II级(浪涌SPD、后备SCB、后备+浪涌一体式、I+II+后备 复合型一体式).
公司介绍
企业文化
企业荣誉
产品中心
专注于浪涌领域的:研 产 销 OEM,无螺丝 快速接线型I级、II级(浪涌SPD、后备SCB、后备+浪涌一体式、I+II+后备 复合型一体式).
浪涌SPD、后备SCB系列
重合闸、过欠压系列
双电源、KB0系列
小型断路器系列
开关及断路器系列
成套输配电系列
首页
关于我们
公司介绍
企业文化
公司荣誉
产品中心
浪涌SPD、后备SCB系列
重合闸、过欠压系列
双电源、KB0系列
小型断路器系列
开关及断路器系列
成套输配电系列
在线画册
应用领域
新闻中心
联系我们
产品中心
首页
>
产品中心
> 成套输配电系列
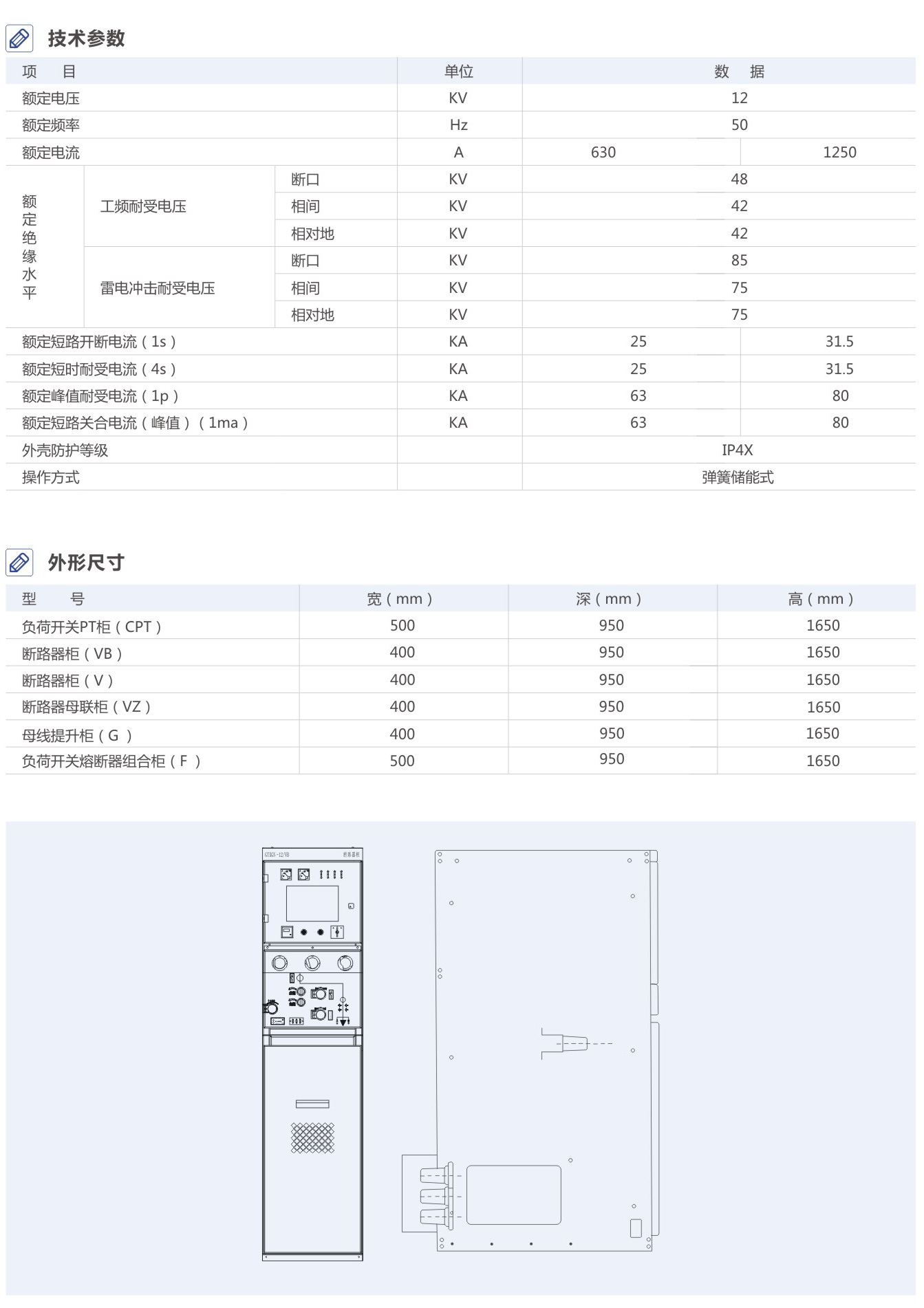
GTXGN-12固体全绝缘封闭式环网开关设备
产品特点